STV250 Shut-off valve is a valve that depends on the gate plate as the opening and closing part and moves in the vertical direction along the axis of the seat to realize the opening and closing action.
The main advantages of gate valve are smooth flow path, small fluid resistance, and small opening and closing torque. Gate valves are widely used in pipelines and are suitable for making large diameter valves. Gate valves are usually used to cut off fluid and should not be used to regulate flow.
| Model | STV250 |
| Size | 250 mm |
| Material | WCB |

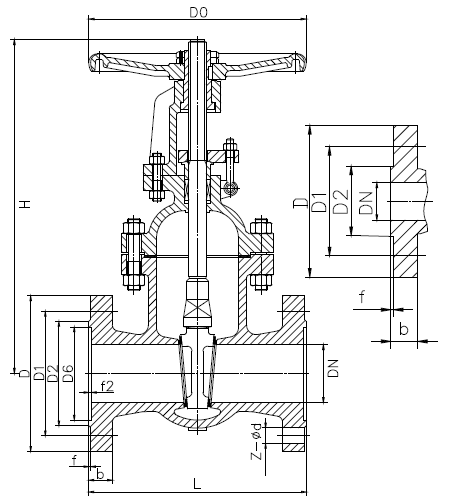
| DN | Pressure | L | D | D1 | D2 | b-f | Z-φd | H | D0 |
| 250 | 1.6 Mpa | 450 | 405 | 355 | 320 | 30-3 | 30-3 | 969 | 450 |
| 2.5 MPa | 450 | 425 | 370 | 332 | 36-3 | 12-30 | 969 | / |
1. The fluid resistance is small, and the sealing surface is less washed and eroded by the medium.
2. Less effort to open and close. Small torque required for opening and closing;
3. It can be used in the loop network where the medium flows in two directions, that is, the flow direction of the medium is not restricted;
4. The shape is simple, the structure length is short, the manufacturing process is good, the application range is wide.
5. The structure length is relatively short.
